#global.skipToContent# #global.skipToSearch# #global.skipToNav#

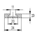
Rail d'arrimage Airline aluminium L 2998 mm non percé, L 34 mm, H 9,6 mm

Rails d'arrimage Airline Alu L 2998 mm

Taper 
178,00 €
inclus 21% TVA , plus Expédition